Description
Description:
-
- The 2x2T PM Relay-Type Miniature Optical Switch is a specialized component designed to support unique network configurations that necessitate triangular path arrangements. This switch offers exceptional performance by maintaining low insertion loss and high extinction ratio, ensuring that signal integrity is preserved even in complex routing scenarios. Its robust construction makes it suitable for deployment in environments with stringent operational requirements. This switch is particularly valuable in applications that require precise and reliable signal routing, such as advanced optical networks and high-performance communication systems. By providing superior performance and reliability, the 2x2T switch meets the demands of cutting-edge optical infrastructure.
Overview:
-
- Triangular Path Configuration: Offers a unique switching topology that is ideal for specific network applications requiring triangular routing.
- Low Insertion Loss: Ensures high-quality signal transmission with minimal degradation.
- High Extinction Ratio: Provides excellent isolation between optical paths, maintaining signal integrity.
- Reliable and Durable: Built to deliver consistent performance and withstand the demands of various environments.
Applications:
-
- Passive Optical Networks (PON): Supports specialized PON configurations requiring triangular routing.
- Optical Protection Systems: Ensures reliable switching for network protection schemes with unique path requirements.
- Network Monitoring: Facilitates advanced network monitoring setups with triangular path configurations.
- Instrumentation: Provides precise control over signal routing in optical instruments designed for specialized applications.
Optical Path Diagram:

Specifications:
| Parameter | Unit | FSW-2×2T-PM |
|---|---|---|
| Operating Wavelength | nm | 1260~1620 |
| Insertion Loss | dB | ≤1.0 (A Grade) <br> ≤0.8 (P Grade) |
| Extinction Ratio | dB | ≥18 |
| Wavelength Dependent Loss | dB | ≤0.25 |
| Temperature Dependent Loss | dB | ≤0.2 |
| Polarization Dependent Loss | dB | ≤0.05 |
| Return Loss | dB | ≥50 |
| Crosstalk | dB | ≥55 |
| Repeatability | dB | ≤±0.02 |
| Switching Time | ms | ≤8 |
| Lifetime | times | ≥10^7 |
| Operating Voltage | V | 3.0 or 5.0 |
| Maximum Optical Power | mW | ≤500 |
| Operating Temperature | °C | -5 ~ +70 |
| Storage Temperature | °C | -40 ~ +85 |
| Operating Humidity | % | 5 ~ 95 |
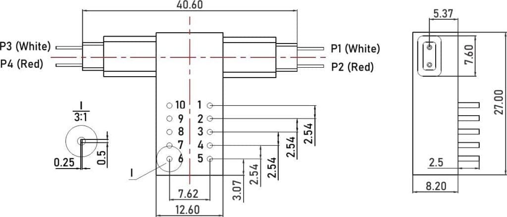
| Dimensions | mm | L27×W12.6×H8.2 (±0.2) |
- All parameters are tested under room temperature operating environment.
- All parameters exclude connector insertion loss.
Pin Definitions
| Type | State | Optical Path | Electrical Drive | Status Indicator |
|---|---|---|---|---|
| Locking | A | P1-P4 | P2-P3 | – |
| B | P1-P3 | P2-P4 | V+ | |
| Non-Locking | A | P1-P4 | P2-P3 | – |
| B | P1-P3 | P2-P4 | V+ |
Electrical Specifications:
| Type | Voltage | Current | Resistance |
|---|---|---|---|
| 3V, Locking | 2.7~3.3V | 54~66mA | 50Ω |
| 3V, Non-Locking | 2.7~3.3V | 39~47mA | 70Ω |
| 5V, Locking | 4.5~5.5V | 36~44mA | 125Ω |
| 5V, Non-Locking | 4.5~5.5V | 26~32mA | 175Ω |
Package Dimensions:

2×2T PM Relay-Type Miniature Optical Switch (L27×W12.6×H8.2)
Ordering Information: FSW 2×2T-A-B-C-D-E-F
| Code | Wavelength | Code | Relay Type | Code | Fiber Type |
|---|---|---|---|---|---|
| 1310 | 1310nm | 3L | 3V, Locking | P13 | PM1310 |
| 1550 | 1550nm | 3N | 3V, Non-Locking | P15 | PM1550 |
| X | Other | 5L | 5V, Locking | X | Other |
| 5N | 5V, Non-Locking |
| Code | Fiber Diameter | Code | Fiber Length | Code | Connector |
|---|---|---|---|---|---|
| 025 | Φ0.25mm | 05 | 0.5m | 00 | None |
| 09 | Φ0.9mm | 10 | 1.0m | FP | FC/UPC |
| X | Other | 15 | 1.5m | FA | FC/APC |
| X | Other | SP | SC/UPC | ||
| SA | SC/APC | ||||
| LP | LC/UPC | ||||
| LA | LC/APC | ||||
| X | Other |








