1×2 PM Relay-Type Miniature Optical Switch

The 1×2 PM Relay-Type Miniature Optical Switch provides dual path switching capability while maintaining high performance and reliability. This switch is perfect for systems that require the ability to switch between two distinct optical channels with minimal insertion loss and a high extinction ratio, ensuring optimal signal integrity.

Description

Description:

    • The 1×2 PM Relay-Type Miniature Optical Switch is designed to deliver superior performance in optical networks that require versatile signal routing capabilities. It features a dual path-switching mechanism that allows for seamless transitions between two optical channels, ensuring that signal integrity is maintained throughout the process. The switch’s low insertion loss minimizes signal attenuation, making it ideal for high-precision applications where maintaining signal quality is paramount. Its high extinction ratio ensures effective isolation between channels, preventing cross-talk and ensuring clean signal paths. Built to withstand rigorous usage, this switch offers unparalleled reliability, making it a valuable addition to any advanced optical communication setup.

Overview:

    • Dual Path Switching: Provides the flexibility to select between two optical paths, making it suitable for applications that require redundancy or multiple signal paths.
    • Low Insertion Loss: Ensures that signal quality is maintained, even when switching between paths, preventing degradation.
    • High Extinction Ratio: Offers excellent signal isolation, ensuring that the switch does not interfere with other signals in the network.
    • Reliable Operation: Built for consistent and long-term performance, this switch is ideal for critical and demanding applications.

Applications:

    • Passive Optical Networks (PON): Enhances the flexibility of PON systems by providing reliable dual path switching.
    • Optical Protection Systems: Ensures uninterrupted service by switching to backup paths during network failures.
    • Network Monitoring: Facilitates comprehensive network testing and monitoring by allowing seamless switching between test paths.
    • Instrumentation: Provides precise control over optical paths in various optical instruments.

Optical Path Diagram:


Specifications:

Parameter Unit FSW-1×2-PM
Operating Wavelength nm 1260~1620
Insertion Loss dB ≤0.7 (A Grade) <br> ≤0.5 (P Grade)
Extinction Ratio dB ≥18
Wavelength Dependent Loss dB ≤0.25
Temperature Dependent Loss dB ≤0.2
Polarization Dependent Loss dB ≤0.05
Return Loss dB ≥50
Crosstalk dB ≥55
Repeatability dB ≤±0.02
Switching Time ms ≤8
Lifetime times ≥10^7
Operating Voltage V 3.0 or 5.0
Maximum Optical Power mW ≤500
Operating Temperature °C -5 ~ +70
Storage Temperature °C -40 ~ +85
Operating Humidity % 5 ~ 95
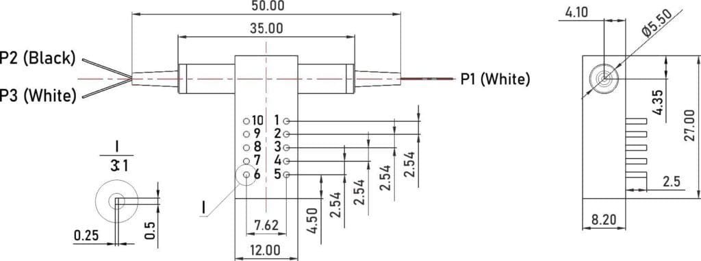
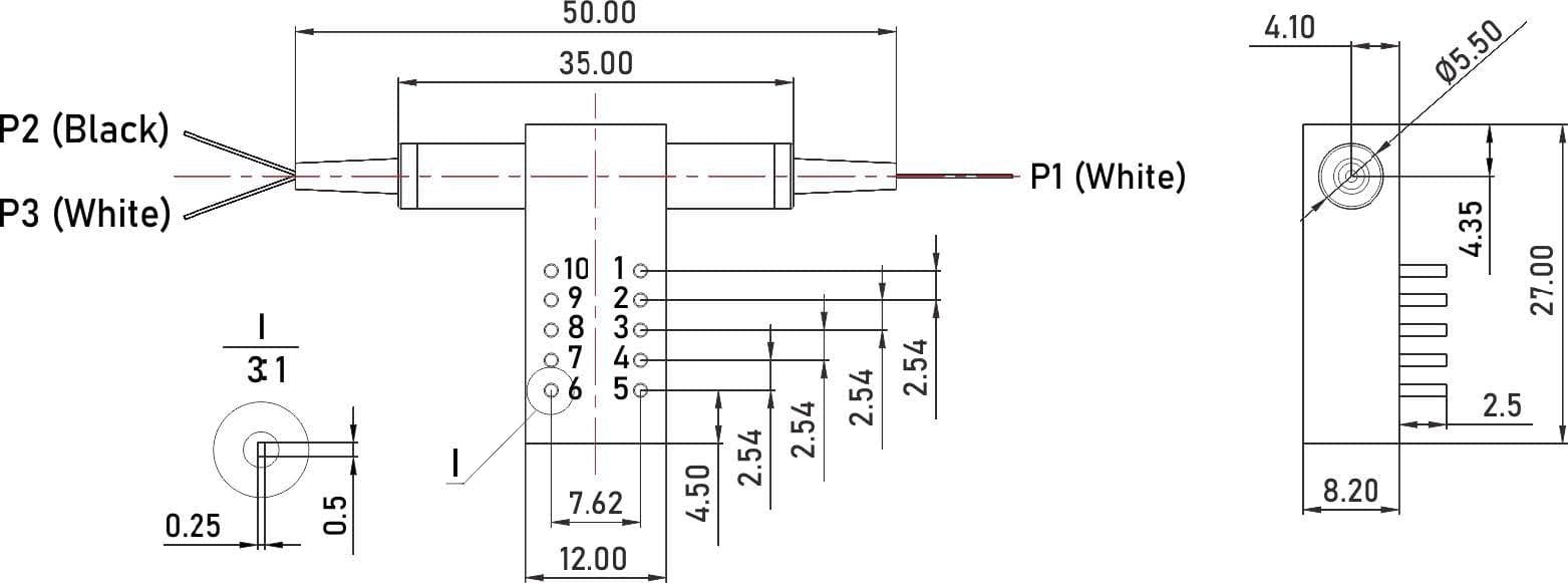
Dimensions mm L27×W12×H8.2 (±0.2)
  1. All parameters are tested under room temperature operating environment.
  2. All parameters exclude connector insertion loss.

Pin Definitions:

Type State Optical Path Electrical Drive Status Indicator
Locking A P1-P2
B P1-P3 V+ GND
Non-Locking A P1-P2
B P1-P3 V+

Electrical Specifications:

Type Voltage Current Resistance
3V, Locking 2.7~3.3V 54~66mA 50Ω
3V, Non-Locking 2.7~3.3V 39~47mA 70Ω
5V, Locking 4.5~5.5V 36~44mA 125Ω
5V, Non-Locking 4.5~5.5V 26~32mA 175Ω

Package Dimensions:

1×2 PM Relay-Type Miniature Optical Switch (L27×W12×H8.2)


Ordering Information: FSW 1×2-A-B-C-D-E-F

Code Wavelength Code Relay Type Code Fiber Type
1310 1310nm 3L 3V, Locking P13 PM1310
1550 1550nm 3N 3V, Non-Locking P15 PM1550
X Other 5L 5V, Locking X Other
5N 5V, Non-Locking
Code Fiber Diameter Code Fiber Length Code Connector
025 Φ0.25mm 05 0.5m 00 None
09 Φ0.9mm 10 1.0m FP FC/UPC
X Other 15 1.5m FA FC/APC
X Other SP SC/UPC
SA SC/APC
LP LC/UPC
LA LC/APC
X Other
 
Parameter Unit Value
Operating Wavelength nm 1260~1620
Insertion Loss dB ≤0.7 (A Grade), ≤0.5 (P Grade)
Extinction Ratio dB ≥18
Wavelength Dependent Loss dB ≤0.25
Temperature Dependent Loss dB ≤0.2
Polarization Dependent Loss dB ≤0.05
Return Loss dB ≥50
Crosstalk dB ≥55
Repeatability dB ≤±0.02
Switching Time ms ≤8
Lifetime times ≥107
Operating Voltage V 3.0 or 5.0
Maximum Optical Power mW ≤500
Operating Temperature °C -5 ~ +70
Storage Temperature °C -40 ~ +85
Operating Humidity % 5 ~ 95
Package Dimensions mm L27×W12×H8.2 (±0.2)